Все товары  /  Сантехника  /  Унитазы

Унитаз подвесной с бачком и инсталляцией Grohe 39535000Gr

Код товара: 131884
9 408 616 сум.10 009 231 сум.
Статус: Под заказ
Гарантия: 60 мес.
Основные характеристики
Тип монтажа подвесной
Конструкция раздельный
Материал керамика
Вид смыва вертикальный
С бачком
С инсталляцией
С сиденьем
Направление выпуска горизонтальное
Сиденье с микролифтом
Цвет белый
Страна производства Германия
Артикул 39 535 000
Описание

Унитаз подвесной с бачком и инсталляцией GROHE 39535000Gr выполнен в современном стиле. Благодаря подвесной конструкции унитаз не занимает много места в помещении, а свободное пространство под чашей делает уборку в ванной комнате гораздо легче. Водосберегающая конструкция с регулируемой системой смыва обеспечивает экономный расход воды. Накладная панель Arena Cosmopolitan выполнена из ABS-пластика, арматурная группа изготовлена из нержавеющей стали, унитаз - из санитарной керамики, сиденье с крышкой - из дюропласта.

Комплектация:

  • Инсталляция для унитаза GROHE Solido 5 в 1
  • Унитаз  Euro Ceramic 
  • Впускной и смывной гарнитуры
  • Сиденье с крышкой  микролифтом
  • Смывной бачок GD 2
  • Панель смыва Arena (38844000)
  • Крепежный материал:
    • 2 болта-держателя для унитаза
    • Крепление для керамики
    • Комплект креплений к стене
  • Принадлежности для монтажа перед стеной
  • Шумоизоляция (39535000)
  • Звукоизоляционный набор (37 131 000)
  • Накладная панель Arena Cosmopolitan для вертикального и горизонтального монтажа

Особенности:

  • Унитаз:
    • Глазурованная поверхность под бортом
    • Подвод воды сзади 
    • Вертикальный выход
    • Открытая поверхность пола под изделием
    • Трубы скрыты внутри стены
    • Полностью скрытые невидимые крепления
  • Смывной бачок GD 2:
    • Подключение воды
      • Слева
      • Справа
      • Сзади
      • Сверху
    • Пневматический смывной клапан с 2-мя режимами слива:
      • Двухобъемный
      • Старт/стоп
  • Система инсталляции GROHE Solido 5 в 1: 
    • Арматурная группа I с изоляцией от конденсационной влаги
    • Во время сборки не требуется дополнительного инструмента для монтажа инспекционного короба
    • Для вертикального или горизонтального монтажа 
    • Для монтажа перед стеной или стенной перегородкой
    • Самонесущая стальная рама с порошковым напылением, подготовленная для облицовки
    • Фиксированные подключения
    • Быстрая регулировка по высоте
    • Регулировка глубины монтажа 
    • Инсталляция без перекладины (2 ч.)
    • Установка по месту WC со звукоизоляционным набором

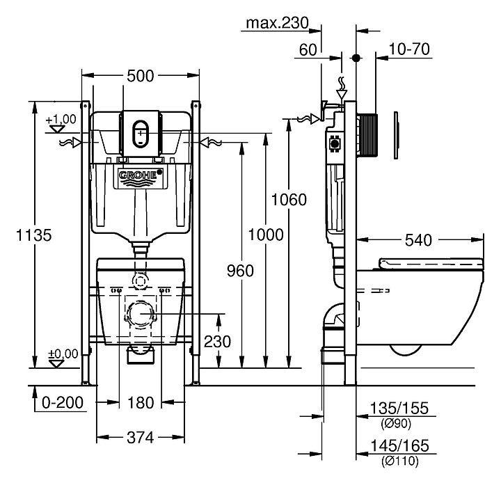
Дополнительные характеристики:

  • Смывной бачок GD 2:
    • Объем: от 6 до 9 л
    • Заводская настройка: 6л и 3л
  • Накладная панель Arena Cosmopolitan:
    • Размер: 156x197 мм
    • Цвет: хром
  • Арматурная группа:
    • Подключение воды: DN 15
    • Монтажная высота: 1130 мм
    • Расстояние между болтами держателя для унитаза: 180 или 230 мм
    • Диаметр редуктора: 90 или 110 мм
    • Диаметр выходного патрубка для унитаза: 90 мм
  • Цвет керамики и сиденья: альпин-белый  
Внимание! Информация о товарах, размещенная на сайте, не является публичной офертой, определяемой положениями Части 2 Статьи 437 Гражданского кодекса Российской Федерации. Производители вправе вносить изменения в технические характеристики, внешний вид и комплектацию товаров без предварительного уведомления. Уточняйте характеристики у наших менеджеров перед оформлением заказа.
Торговая марка Grohe

Grohe (Германия) - всемирно известный производитель сантехники, смесителей класса "люкс" и различных аксессуаров. Компания имеет представительства в 15 странах мира и предлагает широчайший модельный ряд, включающий в себя модели как для бытового, так и для коммерческого применения.

15-16 сентября 2020 в рамках V РЭФ и
I ШЭФ прошла презентация
UNOX EVEREO с нашим участием
ENTERO - I Ресторанной маркетинг-конференции
ENTERO - официальный партнёр
I Ресторанной маркетинг-конференции
ENTERO - I Ресторанной маркетинг-конференции
ENTERO - официальный партнёр IV Ресторанного экономического форума
ENTERO - официальный партнёр IV Ресторанного экономического форума
Мы на передаче Дачный ответ,
эфир от 27.01.2019
ENTERO на передаче Дачный ответ, эфир от 27.01.2019
Магазин ENTERO - спонсор проекта Дачный ответ
ENTERO на передаче Дачный ответ, эфир от 15.02.2015
Магазин ENTERO на ТВ в программе Дачный ответ
ENTERO на передаче Дачный ответ, эфир от 19.10.2014
Магазин ENTERO на ТВ в программе Квартирный вопрос
ENTERO на передаче Квартирный вопрос, эфир от 20.11.2010
Распределение заказов, отправленных нами через ТК:
Деловые линии - 58.3%
Санкт-Петербург, Екатеринбург, Сочи, ...
ПЭК - 20.3%
Санкт-Петербург, Сочи, Екатеринбург, ...
КИТ - 3.3%
Астана, Атырау, Феодосия, ...
Желдорэкспедиция - 1.2%
Якутск, Владивосток, Находка, ...
Байкал-Сервис - 1.2%
Пятигорск, Санкт-Петербург, Анапа, ...
За прошедшие 5 дней отправлены заказы в города:
Великие Луки, Владивосток, Вологда, Иркутск, Киров, Краснодар, Красноярск, Мурманск, Новомосковск, Оренбург, Радужный, Санкт-Петербург, Сочи, Тольятти, Томск, Чита
Call-центр работает 5, 6, 8, 9, 10 января.
Используйте корзину для заказа на сайте