Все товары  /  Водоснабжение и водоотведение  /  Автономная канализация  /  Станции глубокой биохимической очистки

Станция глубокой биохимической очистки Alta Group Bio 10+ UV

Код товара: 323724
Статус: Нет в наличии
Данная товарная позиция отсутствует на складе. Мы подберем вам товар с такими же характеристиками.

Рассчитать стоимость доставки в другой город
Основные характеристики
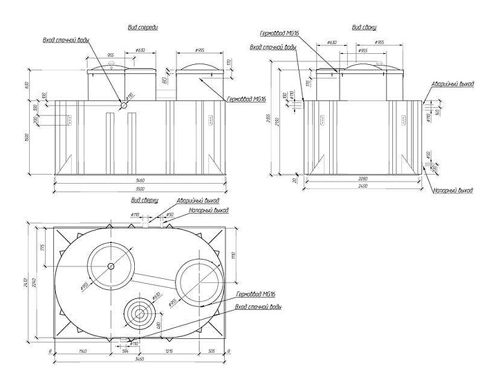
Количество пользователей 10
Максимальный залповый сброс 550 л/час
Напряжение 220 В
Диаметр входа 110 мм
Диаметр выхода 110 мм
Глубина входа 2440 мм
Глубина выхода 2440
Ширина 3500 мм
Глубина 2440 мм
Высота 2355 мм
Страна-производитель Россия
Родина бренда Россия

Упаковка

Количество мест 1
Размеры 3500x2440x2355 мм
Вес 410 кг
Описание

Станция Alta Group Bio Bio 10+ UV предназначена для глубокой биохимической очистки хозяйственно-бытовых сточных вод частных домов с проживанием до 10-ти человек. Очищенная вода удаляется в напорном режиме при помощи дренажного поплавкового насоса Pedrollo, расположенного в дополнительной камере станции, установка рассчитана на условия, когда невозможен отвод очищенной воды в самотечном режиме. Модель оснащена блоком УФ для обеззараживания очищенной воды и обеспечения возможности утилизации воды непосредственно в водоем, в том числе рыбохозяйственного назначения. Очищенная вода после биофильтра поступает в систему фильтрации, которая состоит из механического фильтра тонкой очистки и напорного сорбционного фильтра со специальной загрузкой Alta Sorbent, далее вода поступает для обеззараживания с помощью УФ лампы.

Особенности:

  • 3 горловины
  • Нет ограничения по сбросу бытового мусора
  • Возможен энергонезависимый режим работы
  • Усовершенствованная система подключения питания
  • Возможен сброс очищенной воды в водоемы
  • Возможно безопасное использование осадка
  • Автоматическая система коагуляции стока
  • Возможна установка системы SMS оповещения и дистанционного управления Alta Contact
  • Откачка раз в год
  • 3 метода очистки стоков:
    • механический (в отстойнике осаждаются нерастворимые примеси и начинаются сорбционные процессы)
    • биологический (на биофильтре находится активная биопленка, питающаяся загрязнённым стоком и поступающим из окружающей среды кислородом)
    • химико-физический (для удаления мелких взвешенных частиц проводится коагуляция осаждающим препаратом)

Дополнительные характеристики:

  • Производительность: 2 м³/сут
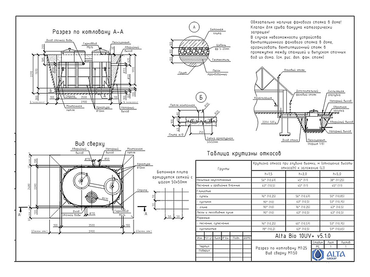
  • Площадь для установки системы: 8,2 м²
  • Объем земляных работ: 19 м³
  • Установочная мощность: 1,3 кВт
  • Энергопотребление: 0,35 кВт/ч
  • Рекомендованные параметры подводящего электрокабеля: 3х2,5
  • Диаметр горловины:
    • Большой: 955 мм
    • Маленькой: 630 мм

Опции (заказываются отдельно):

Внимание! Информация о товарах, размещенная на сайте, не является публичной офертой, определяемой положениями Части 2 Статьи 437 Гражданского кодекса Российской Федерации. Производители вправе вносить изменения в технические характеристики, внешний вид и комплектацию товаров без предварительного уведомления. Уточняйте характеристики у наших менеджеров перед оформлением заказа.
Аксессуары
Управляющий модуль
Alta Group Bio для принудительного отвода воды
2 446 667 с. 
Осаждающий препарат
Alta Group Doctor Septik 40 шт.
1 006 061 с. 
Осаждающий препарат
Alta Group Doctor Septik 20 шт.
638 788 с. 
15-16 сентября 2020 в рамках V РЭФ и
I ШЭФ прошла презентация
UNOX EVEREO с нашим участием
ENTERO - I Ресторанной маркетинг-конференции
ENTERO - официальный партнёр
I Ресторанной маркетинг-конференции
ENTERO - I Ресторанной маркетинг-конференции
ENTERO - официальный партнёр IV Ресторанного экономического форума
ENTERO - официальный партнёр IV Ресторанного экономического форума
Мы на передаче Дачный ответ,
эфир от 27.01.2019
ENTERO на передаче Дачный ответ, эфир от 27.01.2019
Магазин ENTERO - спонсор проекта Дачный ответ
ENTERO на передаче Дачный ответ, эфир от 15.02.2015
Магазин ENTERO на ТВ в программе Дачный ответ
ENTERO на передаче Дачный ответ, эфир от 19.10.2014
Магазин ENTERO на ТВ в программе Квартирный вопрос
ENTERO на передаче Квартирный вопрос, эфир от 20.11.2010
Распределение заказов, отправленных нами через ТК:
Деловые линии - 58.3%
Санкт-Петербург, Екатеринбург, Сочи, ...
ПЭК - 20.3%
Санкт-Петербург, Сочи, Екатеринбург, ...
КИТ - 3.3%
Астана, Атырау, Феодосия, ...
Желдорэкспедиция - 1.2%
Якутск, Владивосток, Находка, ...
Байкал-Сервис - 1.2%
Пятигорск, Санкт-Петербург, Анапа, ...
За прошедшие 5 дней отправлены заказы в города:
Астрахань, Барнаул, Великий Новгород, Владимир, Иркутск, Краснодар, Липецк, Мурманск, Новосибирск, Полярные Зори, Симферополь, Сургут, Тольятти, Ульяновск, Чита, Южно-Сахалинск
Звоните в будни с 9:00 до 19:00,
в субботу с 10:00 до 18:00.