Все товары  /  Сантехника  /  Инсталляции  /  Инсталляции для унитазов

Система инсталляции для унитаза OLI OLI74 PLUS S90 SANITARBLOCK OLIpure 880785, механика

Код товара: 163564
Статус: Нет в наличии
Данная товарная позиция отсутствует на складе. Мы подберем вам товар с такими же характеристиками.

Основные характеристики
С бачком
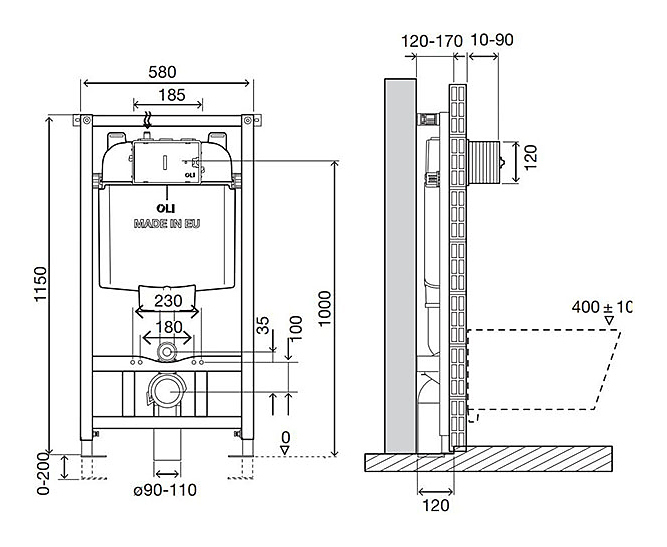
Тип крепления в капитальную стену
Управление механическое
Диаметр слива от 90 до 110 мм
Максимальная нагрузка 400 кг
Ширина 580 мм
Глубина 170 мм
Высота 1150 мм
Страна производства Португалия
Артикул 880785/Инсталляция OLI 74 OLI Pure, механическая
Описание

Система инсталляции с бачком OLI OLI74 PLUS S90 SANITARBLOCK OLIpure предназначена для установки унитазов. Модуль подходит для установки новой сантехники на легкие и несущие стены. 

Комплектация:

  • Крепежные элементы для унитаза
  • Крепежные элементы для рамы
  • Комплект соединительных патрубков для унитаза
  • Фановый отвод для слива и переходник ø90/110
  • G1/2” запорный клапан

Особенности:

  • Совместимость со всеми видами подвесных унитазов
  • Механический слив
  • Фановый отвод для слива, регулируемый по глубине
  • Регулировка по высоте

Дополнительные характеристики:

  • Регулировка по высоте: от 0 до 200 мм

Опции (заказываются отдельно):

  • Кнопка смыва Glam 
  • Кнопка смыва Narrow
Внимание! Информация о товарах, размещенная на сайте, не является публичной офертой, определяемой положениями Части 2 Статьи 437 Гражданского кодекса Российской Федерации. Производители вправе вносить изменения в технические характеристики, внешний вид и комплектацию товаров без предварительного уведомления. Уточняйте характеристики у наших менеджеров перед оформлением заказа.
15-16 сентября 2020 в рамках V РЭФ и
I ШЭФ прошла презентация
UNOX EVEREO с нашим участием
ENTERO - I Ресторанной маркетинг-конференции
ENTERO - официальный партнёр
I Ресторанной маркетинг-конференции
ENTERO - I Ресторанной маркетинг-конференции
ENTERO - официальный партнёр IV Ресторанного экономического форума
ENTERO - официальный партнёр IV Ресторанного экономического форума
Мы на передаче Дачный ответ,
эфир от 27.01.2019
ENTERO на передаче Дачный ответ, эфир от 27.01.2019
Магазин ENTERO - спонсор проекта Дачный ответ
ENTERO на передаче Дачный ответ, эфир от 15.02.2015
Магазин ENTERO на ТВ в программе Дачный ответ
ENTERO на передаче Дачный ответ, эфир от 19.10.2014
Магазин ENTERO на ТВ в программе Квартирный вопрос
ENTERO на передаче Квартирный вопрос, эфир от 20.11.2010
Распределение заказов, отправленных нами через ТК:
Деловые линии - 58.3%
Санкт-Петербург, Екатеринбург, Сочи, ...
ПЭК - 20.3%
Санкт-Петербург, Сочи, Екатеринбург, ...
КИТ - 3.3%
Астана, Атырау, Феодосия, ...
Желдорэкспедиция - 1.2%
Якутск, Владивосток, Находка, ...
Байкал-Сервис - 1.2%
Пятигорск, Санкт-Петербург, Анапа, ...
За прошедшие 5 дней отправлены заказы в города:
Архангельск, Брянск, Великие Луки, Владивосток, Владикавказ, Волгоград, Иркутск, Кострома, Краснодар, Красноярск, Махачкала, Миасс, Мурманск, Новокузнецк, Санкт-Петербург, Томск
Call-центр будет работать c 12 января.
Используйте корзину для заказа на сайте