Все товары  /  Сантехника  /  Инсталляции  /  Инсталляции для унитазов

Система инсталляции для унитаза с бачком Geberit Omega 111.003.00.1

Код товара: 150833
Статус: Нет в наличии
Данная товарная позиция отсутствует на складе. Мы подберем вам товар с такими же характеристиками.

Рассчитать стоимость доставки в другой город
Основные характеристики
С бачком
Тип крепления в капитальную стену и пол
Управление механическое
Звукоизолирующая панель
Режим смыва две кнопки
Объем смыва от 3 до 6 л
Диаметр слива 90 мм
Ширина 500 мм
Глубина 140 мм
Высота 820 мм
Вес (без упаковки) 15.2 кг
Страна производства Швейцария
Артикул 111.003.00.1
Описание

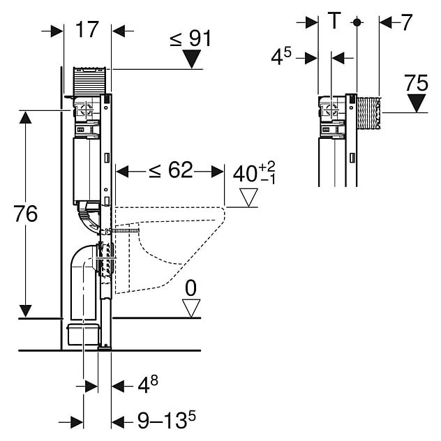
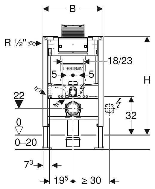
Система инсталляции с бачком Geberit Omega 111.003.00.1 предназначена для монтажа подвесных унитазов с вылетом до 62 см. Модель представляет собой настенную опорную раму с бачком и регулируемыми по высоте ножками. Инсталляция подходит для гипсокартонных стен, для встраивания в пристенки по высоте рамы, для встраивания в перегородку системы Geberit Duofix по высоте рамы. Защитная крышка окна технического обслуживания, с возможностью укорачивания, защищает от влаги и грязи. Монтаж и сервисное обслуживание смывного бачка скрытого монтажа не требуют использования инструментов. Рама выполнена из стали с антикоррозиийным порошковым напылением.

В комплект поставки входят подвод воды R 1/2", совместимый с MF, со встроенным угловым запорным вентилем и маховичком, защитная крышка для окна технического обслуживания, комплект для подключения унитаза, соединительное колено, переходная муфта, резьбовые шпильки, защитные заглушки и набор крепежей. Панель смыва не входит в комплект поставки и приобретается отдельно.

Особенности: 

  • Для напольных покрытий толщиной от 0 до 20 см
  • Стойка оцинкованная
  • Стойки с защитой скольжения
  • Стойка с возможностью перемещения от 0 до 20 см
  • Крепление соединительного колена шумопоглощающее
  • Опорные площадки поворотные
  • Смывной бачок скрытого монтажа с противоконденсатной оболочкой
  • Возможность крепления электропитания
  • Оснащен трубкой подвода воды для подсоединения унитазов-биде Geberit AquaClean
  • Подвод воды сбоку слева или сзади слева

Дополнительные характеристики:

  • Максимальная температура воды: 25°
  • Диапозон смещения соединительного колена: 45 мм
  • Расчетный расход: 0,11 л/с
  • Объем смыва: 3/6 л
  • Габариты в упаковке: 843х146х526 мм
Внимание! Информация о товарах, размещенная на сайте, не является публичной офертой, определяемой положениями Части 2 Статьи 437 Гражданского кодекса Российской Федерации. Производители вправе вносить изменения в технические характеристики, внешний вид и комплектацию товаров без предварительного уведомления. Уточняйте характеристики у наших менеджеров перед оформлением заказа.
Аксессуары
Кнопка смыва
Geberit Omega30 115.080.JQ.1
3 697 436 с. 
Кнопка смыва
Geberit Omega20 115.085.KH.1
3 380 924 с. 
Кнопка смыва
Geberit Omega30 115.080.KH.1
3 313 642 с. 
Кнопка смыва
Geberit Omega20 115.085.KJ.1
2 516 718 с. 
Торговая марка Geberit

Группа компаний Geberit, продукция которой широко представлена на территории большинства стран мира, является общепризнанным лидером европейского рынка сантехники и керамических изделий для ванной комнаты. С момента своего основания в 1874 году компания занимается постоянным совершенствованием выпускаемой продукции с целью удовлетворения потребностей самых требовательных клиентов. Стиль, уникальный дизайн и высокое качество - вот основные характеристики продукции, производимой под маркой Geberit.

15-16 сентября 2020 в рамках V РЭФ и
I ШЭФ прошла презентация
UNOX EVEREO с нашим участием
ENTERO - I Ресторанной маркетинг-конференции
ENTERO - официальный партнёр
I Ресторанной маркетинг-конференции
ENTERO - I Ресторанной маркетинг-конференции
ENTERO - официальный партнёр IV Ресторанного экономического форума
ENTERO - официальный партнёр IV Ресторанного экономического форума
Мы на передаче Дачный ответ,
эфир от 27.01.2019
ENTERO на передаче Дачный ответ, эфир от 27.01.2019
Магазин ENTERO - спонсор проекта Дачный ответ
ENTERO на передаче Дачный ответ, эфир от 15.02.2015
Магазин ENTERO на ТВ в программе Дачный ответ
ENTERO на передаче Дачный ответ, эфир от 19.10.2014
Магазин ENTERO на ТВ в программе Квартирный вопрос
ENTERO на передаче Квартирный вопрос, эфир от 20.11.2010
Распределение заказов, отправленных нами через ТК:
Деловые линии - 58.3%
Санкт-Петербург, Екатеринбург, Сочи, ...
ПЭК - 20.3%
Санкт-Петербург, Сочи, Екатеринбург, ...
КИТ - 3.3%
Астана, Атырау, Феодосия, ...
Желдорэкспедиция - 1.2%
Якутск, Владивосток, Находка, ...
Байкал-Сервис - 1.2%
Пятигорск, Санкт-Петербург, Анапа, ...
За прошедшие 5 дней отправлены заказы в города:
Архангельск, Брянск, Великие Луки, Владивосток, Владикавказ, Волгоград, Иркутск, Кострома, Краснодар, Красноярск, Махачкала, Миасс, Мурманск, Новокузнецк, Санкт-Петербург, Томск
Call-центр работает 5, 6, 8, 9, 10 января.
Используйте корзину для заказа на сайте