Мы на связи в мессенджерах
Все товары  /  Сантехника  /  Инженерная сантехника  /  Запорная и терморегулирующая арматура

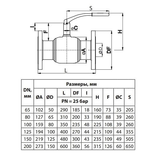
Кран шаровой DANFOSS сталь JIP-FF Ду 100 Ру25 фл

Код товара: 237664
Статус: Нет в наличии
Данная товарная позиция отсутствует на складе. Мы подберем вам товар с такими же характеристиками.

Основные характеристики
Тип шаровой кран
Материал металл
Соединение фланец
Область применения водоснабжение, отопление
Вес (без упаковки) 21 кг
Страна-производитель Россия
Артикул 065N0340G
Описание

Шаровой кран DANFOSS JIP-FF Ду 100 Ру25 используются в качестве запорного устройства на трубопроводе. Корпус выполнен из стали St 37.0, шток и шар из нержавеющей стали.

Особенности:

  • Тип устройства: неполнопроходной
  • Рабочие среды: вода, гликоль
  • Комплект поставки: кран, инструкция
  • Материал уплотнения: PTFE, армированное углеволокном
  • Класс герметичности затвора: А по ГОСТ 9544-2005

Дополнительные характеристики:

  • Температура рабочей среды: от -30 до +180 oC
  • Гарантия производителя: 12 месяцев
  • Ду: 100 мм
  • Давление: 25 бар
  • Строительная длина: 350 мм
  • Диаметр отверстий: 22 мм
  • Количество отверстий: 8 шт
Внимание! Информация о товарах, размещенная на сайте, не является публичной офертой, определяемой положениями Части 2 Статьи 437 Гражданского кодекса Российской Федерации. Производители вправе вносить изменения в технические характеристики, внешний вид и комплектацию товаров без предварительного уведомления. Уточняйте характеристики у наших менеджеров перед оформлением заказа.
15-16 сентября 2020 в рамках V РЭФ и
I ШЭФ прошла презентация
UNOX EVEREO с нашим участием
ENTERO - I Ресторанной маркетинг-конференции
ENTERO - официальный партнёр
I Ресторанной маркетинг-конференции
ENTERO - I Ресторанной маркетинг-конференции
ENTERO - официальный партнёр IV Ресторанного экономического форума
ENTERO - официальный партнёр IV Ресторанного экономического форума
Мы на передаче Дачный ответ,
эфир от 27.01.2019
ENTERO на передаче Дачный ответ, эфир от 27.01.2019
Магазин ENTERO - спонсор проекта Дачный ответ
ENTERO на передаче Дачный ответ, эфир от 15.02.2015
Магазин ENTERO на ТВ в программе Дачный ответ
ENTERO на передаче Дачный ответ, эфир от 19.10.2014
Магазин ENTERO на ТВ в программе Квартирный вопрос
ENTERO на передаче Квартирный вопрос, эфир от 20.11.2010
Распределение заказов, отправленных нами через ТК:
Деловые линии - 58.3%
Санкт-Петербург, Екатеринбург, Сочи, ...
ПЭК - 20.3%
Санкт-Петербург, Сочи, Екатеринбург, ...
КИТ - 3.3%
Астана, Атырау, Феодосия, ...
Желдорэкспедиция - 1.2%
Якутск, Владивосток, Находка, ...
Байкал-Сервис - 1.2%
Пятигорск, Санкт-Петербург, Анапа, ...
За прошедшие 5 дней отправлены заказы в города:
Анапа, Астрахань, Краснодар, Магадан, Набережные Челны, Новокузнецк, Пермь, Рыбинск, Санкт-Петербург, Симферополь, Тольятти, Тула, Ульяновск, Уфа, Череповец, Якутск
Звоните в будни с 9:00 до 19:00,
в субботу с 10:00 до 18:00.